《有轨电车信号系统通用技术条件》将于6月1日起实行

2020-05-25来源:汉唐有轨电车

  2019年10月28日,住房和城乡建设部批准了《有轨电车信号系统通用技术条件》为城镇建设行业产品标准,编号为CJ/T539-2019,自2020年6月1日起实施。
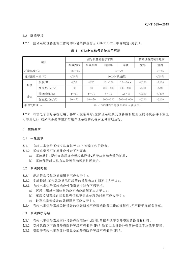
  本标准规定了有轨电车信号系统的般要求,性能要求,可靠性、可用性、可维修性和安全性要求,系统构成,功能要求,与其他系统接口要求,电磁兼容防护,试验方法和检验规则,标志、标签、随行文件,包装、运输和贮存。
  以下为全文: 

图片1.png

图片2.png

图片3.png

图片4.png

图片5.png

图片6.png

图片7.png

图片8.png

图片9.png

图片10.png

图片11.png

图片12.png

图片13.png

图片14.png

图片15.png

图片16.png

返回列表

中国智能交通协会  2015版权所有

京ICP备19040058号  京公网安备 11010602060211号

图文未经许可,不得全部或部分转载,摘编,违者将依法严厉追究

地址:北京市丰台区南四环西路188号总部基地二区7号楼10层

扫一扫 关注ITS世界

扫一扫 关注我们

中国智能交通协会  2015版权所有

京ICP备19040058号  京公网安备 11010602060211号

图文未经许可,不得全部或部分转载,摘编,违者将依法严厉追究

地址:北京市丰台区南四环西路188号总部基地二区7号楼10层