专题首页
工作概况
· 工作体系
· 组织架构
· 标准化技术委员会
· 研制流程
· 管理文件
标准制修订
· 提案征集
· 标准立项
· 征求意见
· 技术审查
· 上会报批
· 标准发布
· 团标下载
标准查询
标准化活动
· 标准会议
· 宣贯解读
· 标准培训
信息咨询
· 常见问题解答
· 文件下载
· 联系方式
返回首页
专题首页
工作概况
工作体系
组织架构
标准化技术委员会
研制流程
管理文件
标准制修订
提案征集
标准立项
征求意见
技术审查
上会报批
标准发布
团标下载
标准查询
标准化活动
标准会议
宣贯解读
标准培训
信息咨询
常见问题解答
文件下载
联系方式
搜索
专题首页
/ 行业标准
返回
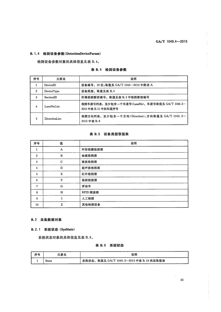
公安交通集成指挥平台通信协议第4部分:交通流信息采集系统
2020-07-29
来源:
中国智能交通协会
返回列表
当前频道的上一篇新闻:公安交通集成指挥平台通信协议第5部分:交通违法监测记录系统
当前频道的下一篇新闻:公安交通集成指挥平台通信协议第3部分 交通视频监视系统
当前频道的上一篇新闻:公安交通集成指挥平台通信协议第5部分:交通违法监测记录系统
当前频道的下一篇新闻:公安交通集成指挥平台通信协议第3部分 交通视频监视系统
会员登录
会员注册
常见问题
人才招聘
联系电话
010-63701100
返回顶部